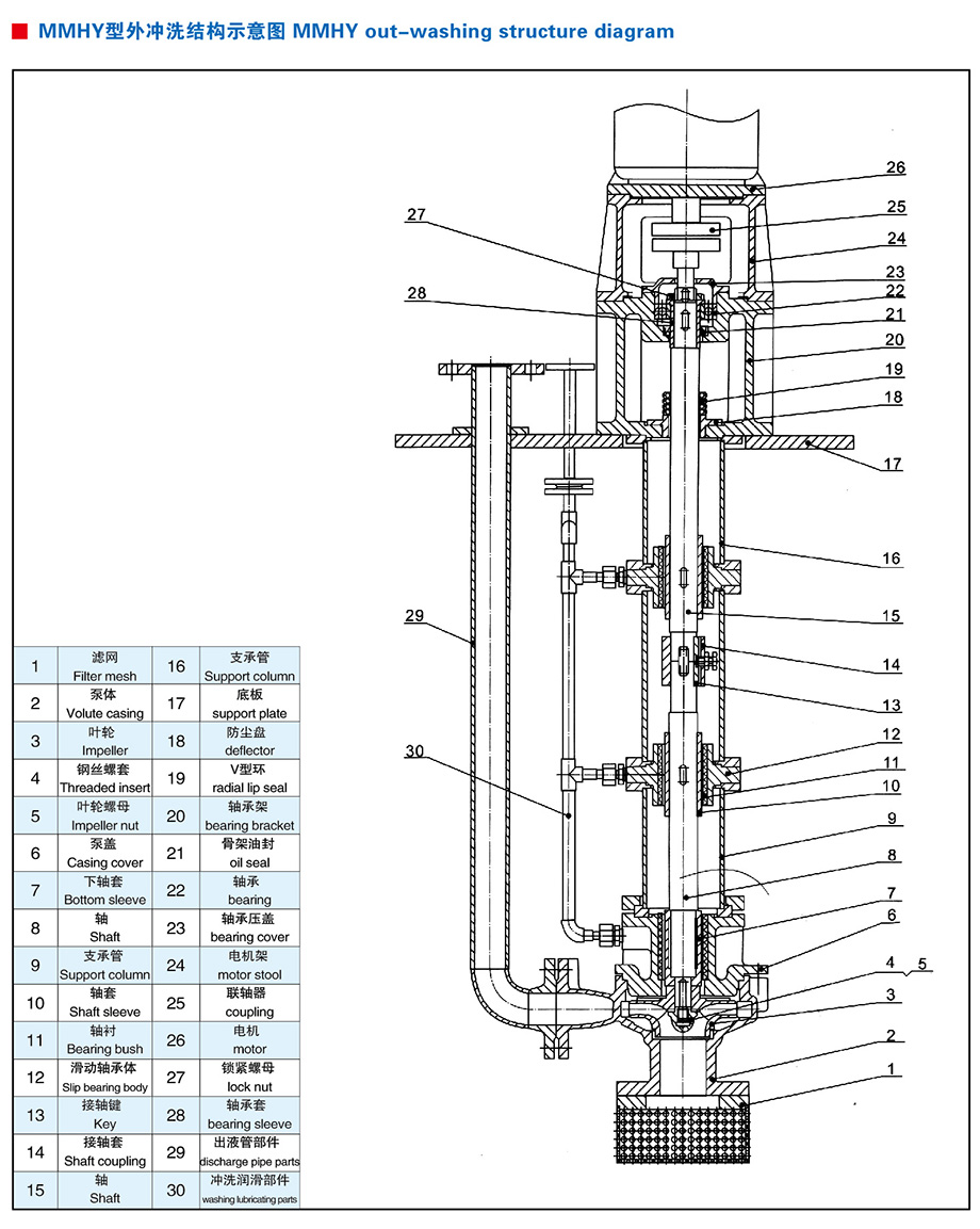
MMHY型长轴液下泵
下一条:MMCYP型耐腐蚀液下泵 上一条:已经没有了

主要产品

CPVC、UPVC、PVDF、PPH、FRPP 材质的球阀、蝶阀、隔膜阀、止回阀、截止阀、底阀、液位指示器、视镜、管道、管件、自吸泵、离心泵、成套水射流真空泵及泵备件。

资料下载
请求报价

售后服务

服务支持
常见问题与对应解答

联系我们

厂址:上海市松江工业区申港路2889号
电话:021-57899277    021-57899030
传真:021-57899276
网址:www.mbim-china.cn
联系人:葛经理
邮箱:bh@mbim-china.com

关注我们

    沪ICP备17034661号